Path > Our Products > Switch > Toggle Switch  
Select Category :  
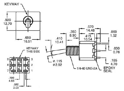
KTG-T301  

More Specations

DESCRIPTIONS :
 
 
  ◆Contact Rating : 5A With Resistive Load @ 120VAC or 28VDC.
   ◆Electrical Life : 50,000 Make-And-Break Cycles at Full Load.
   ◆Contact Resistance : 10m Ohm. max inital @2.4VDC. 100mA for Both Coin Silver And Gold Plated Contacts.
   ◆Insulation Resistance : 1,000M Ohm. Min
   ◆Dielectric Strength : 1,000V RMS @Sea Level
   ◆Operating Temperature : -30degree ~ +130degree
 
Please write down your comment on this product
   

*此網頁已關閉, 非正式公開網站*
*此網頁已關閉, 非正式公開網站*